XR75 Side View X-Ray

The precision-engineered, highly-sensitive Side View X-Ray system is the latest in the advanced XR75 series of inspection solutions.

The new Side View brings XR75 X-Ray technology and low TCO to rigid package inspection. Applications include PET bottles, standup pouches, vertical cartons and aseptic packaging. The Side View is a touchless solution with a compact 2m footprint. It mounts over your existing production line, eliminating product transfers and jams. A new addition to the XR75 performance line, the system offers unbeatable contaminant detection along with low power consumption providing a superior return on investment.

Side View X-Ray Specifications

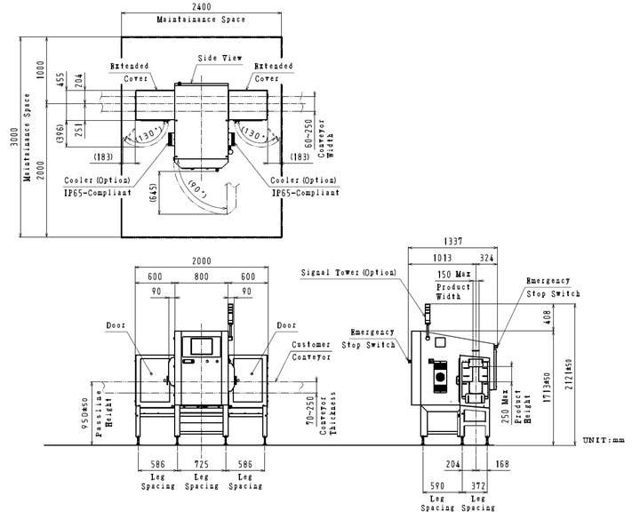
  • Solution mounts over customer’s conveyor – no transfer points or curtains
  • Customer’s max conveyor width: 250mm
  • Customer’s max conveyor height: 250mm
  • Max product width: 150mm
  • Max product height: 260mm
  • Belt speeds: 10 to 120m/min
  • Washdown: IP65 (KXE7514BVELE), IP40 (KXE7514BWELE)
  • Overall length: 2,000mm
  • Reject timing: Encoder pulses

Benefits

Recognizing the short-and-long-term requirements of today’s processors and manufacturers, our engineers designed the XR75 Advanced Long Life Technology to provide heightened sensitivity at reduced energy levels. Because of this, cost of ownership is significantly lowered and life cycles are extended.

Additionally, the XR75 incorporates new advanced long-life technology for critical system components. The long life x-ray tube/generator and detector have been designed for years of maintenance free service. Overall, the XR75 x-ray inspection system can reduce lifetime operating costs by more than 20 percent compared to conventional models, making food inspection more affordable.

Best in Class

  • Detection – as small as 0.5mm
  • Flexibility – HD Imaging standard
  • Reliability resulting in minimal to zero downtime
  • Efficiency in parts, support and documentation

World Class Reliability
Anritsu has been manufacturing inspection systems for over 50 years and has always strived to become more accurate, stable and reliable. Over 10,000 x-ray inspection system installations in food and pharmaceutical facilities worldwide are a testament to the reliability of our equipment and our passion to deliver the most accurate inspection possible. Our industry leading technology and decades of expertise show in every design, and is fully backed by our service team for years of reliable service in your facility.

Long-Term Flexibility
The Anritsu XR75 x-ray platform includes all software inspection tools and capabilities as standard. Each product setup can be configured to your exact product using variable speed conveyors, variable power x-ray source, HACCP support and Ethernet for connection to Anritsu’s QuiCCA data collection software. The goal is to provide our users a long-term, flexible solution for any new applications that may require x-ray inspection.

Ease of Use Increases Efficiencies
Quick installation and system training are made possible by having a common user interface that is easy-to-use and easy-to-understand. The XR75 user interface is the same as the Anritsu SSV checkweighers or M5/M6 metal detectors minimizing training time. Operators can easily create new products and adjust existing settings, eliminating the need for factory support.

Ease of Maintenance
Reliability in the design minimizes the need for maintenance, but when required, a full suite of system diagnostics, unique error and alarm codes offers quick maintenance and minimizes any downtime. On screen prompts guide corrective actions to, in many instances, reduce the need to contact maintenance.

Features

When it comes to accuracy and reliability in food x-ray inspection, the XR75 series is the top in its class. It efficiently performs food inspection for all products at lower energy levels, resulting in a reduced true cost of ownership.

The precision-engineered, highly-sensitive Side View X-Ray system is the latest in the advanced XR75 series of inspection solutions. It sets a new standard for improving product quality and safety, exceeding the needs of today’s demanding food processing industry. In addition to contaminant detection, it can also identify packaging defects and fill level.

Detection Capabilities
Metal0.6-0.8mm
Wire0.5-0.7mm x 2mm long
Glass2.0-3.0mm
Stone (red meat)2.0-3.0mm
Virtual WeighingYes
Missing Item, Fill LevelYes
Technology
HD Imaging STANDARD
System Features
ALL – Advanced Long Life Technology
Variable X-Ray Power by Menu
Low x-ray power: 150W
Integrated Cabinet Cooling System
Secondary cooler optional for high temperature environments
Solid State Drive and Embedded Software
Sealed, Non-Circulating Tube Cooling System
15″ Touch Screen HMI
Sanitary Features
Mounts over customer’s conveyor – no moving parts
Angled External Surfaces

 

Brochures

Anritsu Line Card – eng

Anritsu Line Card – esp